+7 (495) 777-17-71
info@tool-tech.ru
8 (800) 775 40 55
Звонок из регионов России
бесплатный!
бесплатный!
Профессиональный строительный инструмент и оборудование
Каталог инструментов
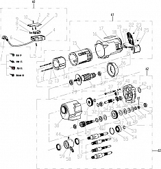
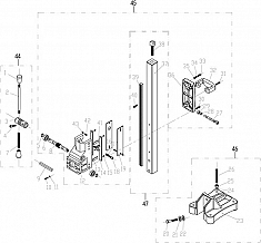
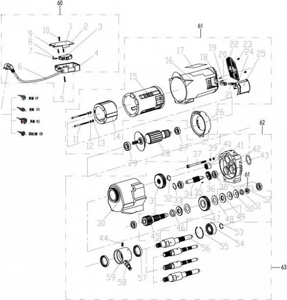
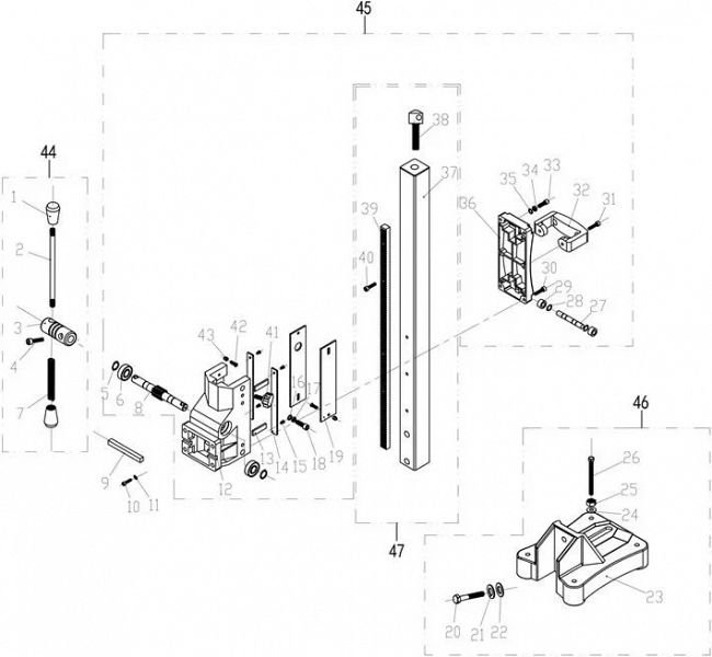
Установка алмазного бурения Saturn OB-205
Установка алмазного бурения Saturn OB-205 (Сатурн ОБ-205) предназначена для сверления круглых отверстий Ø 20 – 205 мм в бетонных, железобетонных, базальтовых, асфальтовых и других поверхностях под трубы вентиляции, теплоснабжения, водоснабжения и подобных коммуникаций.
Производитель: SATURN (САТУРН) – Россия.
Преимущества установки алмазного бурения Saturn OB-205:
- Корпус двигателя из алюминия хорошо отводит тепло во время работы
- Встроенная механическая и электронная защита от перегрузок
- Надежная алюминиевая стойка
- Небольшой вес
- Рукоятка для переноса
- Поставляется в картонной коробке
Цена и технические характеристики установки алмазного бурения Saturn OB-205:
Оборудование для алмазного бурения
- Установка алмазного бурения
- Установка алмазного бурения с микроударом
- Дрель алмазного сверления
- Дрель с микроударом для алмазного бурения
- Керноотборник для асфальтобетона
- Двигатель алмазного бурения
- Двигатель алмазного бурения с микроударом
- Станина для алмазного бурения
- Станина для алмазного бурения с микроударом
- Алмазные коронки
- Доп. оборудование к технике алмазного бурения
-
Алмазные коронки по железобетону Kern Diamond Bit Concrete Premium 40 ммДиаметр: 40 ммРабочая длина: 450 ммЦена: 6 000 руб.
-
Алмазные коронки по железобетону Kern Diamond Bit Concrete Premium 152 ммДиаметр: 152 ммРабочая длина: 450 ммЦена: 17 400 руб.
-
Желобонакатный станок GruvMaster RG-1X (1-8)Диаметр труб: 1" - 8"Мощность: 0,8 кВтЦена: 187 000 руб.
-
Набор для прочистки канализационных труб Crocodile 22 мм × 20 мДиаметр труб: 75 - 160 ммДлина труб: 20 мЦена: 31 906 руб.
-
Трубогиб электрический гидравлический Kern до 2Диаметр труб: 1/2" - 2"Мощность: 0,75 кВтЦена: 160 879 руб.
-
Алмазная коронка для сухого бурения с микроударом Адель Diamond Hit DH-D401 142 ммДиаметр: 142 ммРабочая длина: 450 ммЦена: 10 900 руб.
-
Алмазные коронки по железобетону Kern Diamond Bit Concrete Premium 210 ммДиаметр: 210 ммРабочая длина: 450 ммЦена: 28 900 руб.
-
Алмазная коронка для сухого бурения с микроударом Адель Diamond Hit DH-D400 132 ммДиаметр: 132 ммРабочая длина: 450 ммЦена: 9 600 руб.
Новости
-
26.11.2025Новые поступления для серьёзной работы: спираль и адаптер от Crocodile
-
21.11.2024Поступление желобонакатчиков GruvMaster - Новинка на Российском рынке!
-
27.12.2023С новым 2024 годом!
-
20.12.2022Режим работы в Новогодние праздники
-
12.10.2022ФСБ сообщила о попытке теракта с ПЗРК «Игла» в Подмосковье










Отзывы
Оставьте Ваш отзыв